二次元裏@ふたば
[ホーム]

[掲示板に戻る]
レス送信モード
おなまえ
E-mail
題  名
コメント
添付File []
削除キー(削除用.英数字で8字以内)

画像ファイル名:1775807273520.jpg-(293418 B)
293418 B無念Nameとしあき26/04/10(金)16:47:53No.1399848796+ 11日01:18頃消えます
高市総理、赤沢に更なる任務を割り当てる
これは赤沢GJだね
削除された記事が1件あります.見る
1無念Nameとしあき26/04/10(金)16:49:29No.1399849028そうだねx1
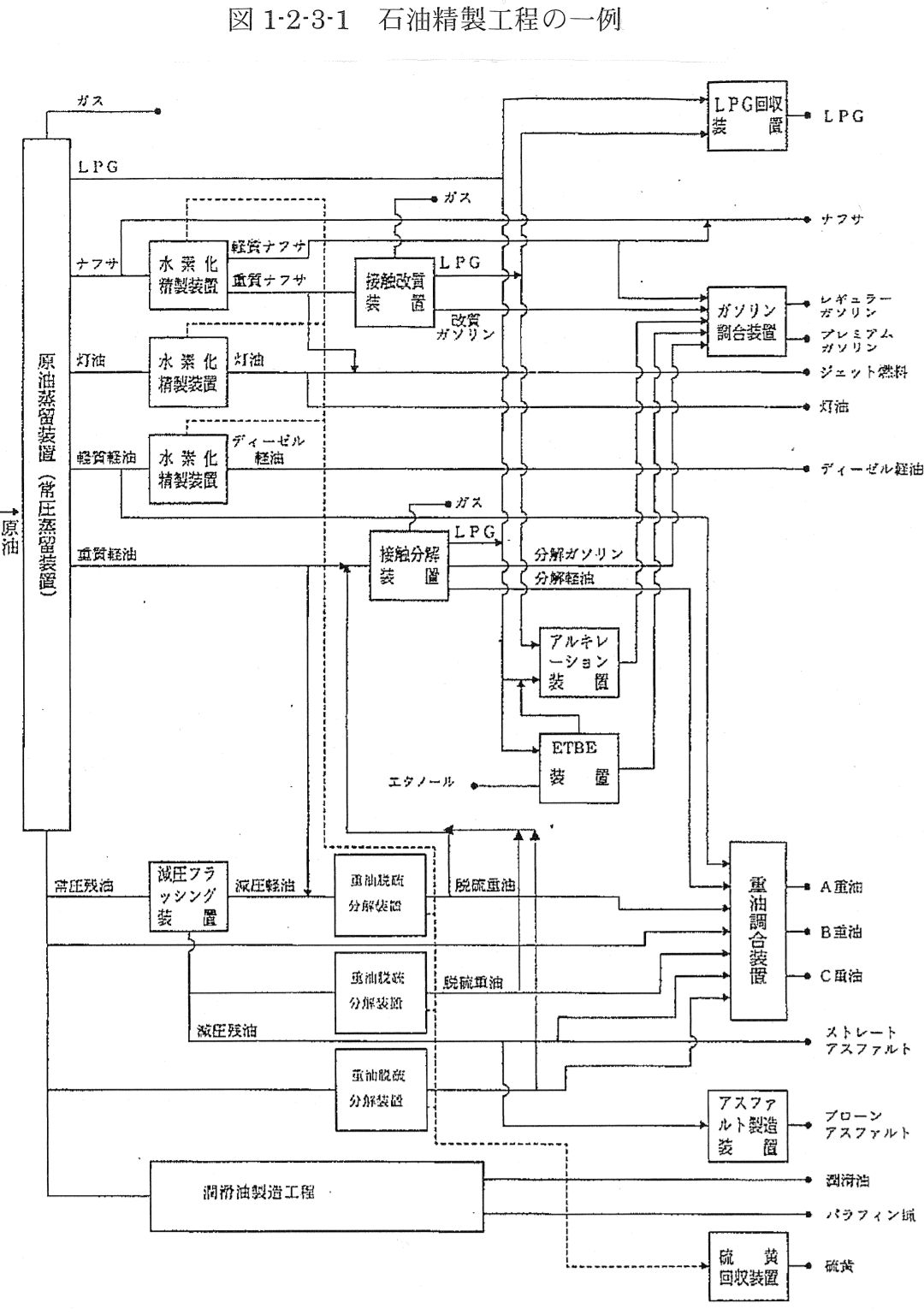
日本は年末までのげんゆを確保したってニュース流れてたけどマスコミはそういうの報道しないからテレビの前のみんなが不安になっちゃう
2無念Nameとしあき26/04/10(金)16:51:32No.1399849311そうだねx8
オノキミは何してんの?
本来こいつの仕事だよね?
3無念Nameとしあき26/04/10(金)16:52:54No.1399849541そうだねx2
原油はあってもナフサはあと2ヶ月しかない
なぜならナフサからガソリン作って安売りしてるから
4無念Nameとしあき26/04/10(金)16:53:01No.1399849563+
書き込みをした人によって削除されました
5無念Nameとしあき26/04/10(金)16:54:29No.1399849806そうだねx2
燃料油よりナフサが先に不足して国民生活に影響が出るのはわかっておったことだろうにのう
6無念Nameとしあき26/04/10(金)16:54:39No.1399849827+
>なぜならナフサからガソリン作って安売りしてるから
じゃあガソリンをナフサの代わりにすれば良いのでは?
7無念Nameとしあき26/04/10(金)16:56:06No.1399850045そうだねx2
    1775807766136.jpg-(190309 B)
190309 B
ナフサそのまま売るよりガソリンにして売るほうが石油元売りは儲かるから仕方がないね
8無念Nameとしあき26/04/10(金)16:57:50No.1399850323そうだねx1
    1775807870698.jpg-(84406 B)
84406 B
元々原油から作るナフサじゃ足りないからナフサだけ別途輸入してたので
輸入ストップしたら不足するのは当然なので
9無念Nameとしあき26/04/10(金)16:59:17No.1399850571+
>1775807870698.jpg
何このキモいフォント
10無念Nameとしあき26/04/10(金)16:59:53No.1399850674そうだねx2
政府はシンナーだけって認識なのか…
有機溶剤もプラスチック原料もナフサから作ってる物は軒並み出荷調整で買えなくなってるのに
11無念Nameとしあき26/04/10(金)17:00:41No.1399850812そうだねx3
>>1775807870698.jpg
>何このキモいフォント
ブルームバーグに言えよ
12無念Nameとしあき26/04/10(金)17:01:08No.1399850870そうだねx3
もうサナエが諦めて赤沢を次期総理にするために徳を積ませてるとしか思えんのだが
13無念Nameとしあき26/04/10(金)17:04:14No.1399851322+
>ブルームバーグに言えよ
おいブルームバーグ!てめぇフォントきめーんだよ!!
14無念Nameとしあき26/04/10(金)17:04:49No.1399851411そうだねx3
うるせえバーグ!お前の顔のほうがキモいバーグ!
15無念Nameとしあき26/04/10(金)17:29:11No.1399855319そうだねx2
イチャイチャするな
16無念Nameとしあき26/04/10(金)17:37:29No.1399856698+
>日本は年末までのげんゆを確保したってニュース流れてたけどマスコミはそういうの報道しないから
一文で矛盾する
17無念Nameとしあき26/04/10(金)17:37:36No.1399856715+
シンナーに気をつけて壁塗んなー
18無念Nameとしあき26/04/10(金)17:43:36No.1399857649そうだねx2
ナフサは備蓄余裕!値上げする企業は反日!って喚いてなかった?
19無念Nameとしあき26/04/10(金)17:49:49No.1399858721+
ナフサは石油の余り物って言ってる奴もいたな
20無念Nameとしあき26/04/10(金)17:51:00No.1399858914そうだねx2
余り物どころかもともと足りなくて
わざわざナフサだけを追加で輸入してたんですが…
21無念Nameとしあき26/04/10(金)17:51:58No.1399859075+
>原油はあってもナフサはあと2ヶ月しかない
>なぜならナフサからガソリン作って安売りしてるから
なんでガソリン消費拡大政策やってんだろうな
22無念Nameとしあき26/04/10(金)18:03:43No.1399861238そうだねx1
>政府はシンナーだけって認識なのか…
>有機溶剤もプラスチック原料もナフサから作ってる物は軒並み出荷調整で買えなくなってるのに
ナフサはあらゆる石油化学製品の原料なのに呑気すぎんか
23無念Nameとしあき26/04/10(金)18:06:30No.1399861755+
なんでとしあきは火炎瓶の原料のナフサの心配ばかりしてるの?
24無念Nameとしあき26/04/10(金)18:07:43No.1399861995そうだねx1
原油供給不安、中ロ連携で対日情報工作か
明大教授ら分析
https://jp.reuters.com/world/china/4BKDWKWP2RLNFEHYFBEQFSOCN4-2026-04-10/?taid=69d8765c5d64bf00015769b4
25無念Nameとしあき26/04/10(金)18:08:15No.1399862104そうだねx1
>ナフサはあらゆる石油化学製品の原料なのに呑気すぎんか
>なんでとしあきは火炎瓶の原料のナフサの心配ばかりしてるの?
これが健常者とバカウヨの差である
26無念Nameとしあき26/04/10(金)18:09:06No.1399862285そうだねx1
経済産業大臣というより経済安保大臣の担当範囲では?
27無念Nameとしあき26/04/10(金)18:09:12No.1399862304+
石油も問題だけどタングステンどうすんのさ
今どこの材料メーカーも超硬素材の価格2〜4倍まで跳ね上がってるし売ってくれない所もあるんたけど
プレス金型の新作も補修も出来なくなったら終わりだよマジで
28無念Nameとしあき26/04/10(金)18:09:14No.1399862316そうだねx2
火炎瓶はガソリンじゃねーかな…
29無念Nameとしあき26/04/10(金)18:09:44No.1399862421そうだねx2
>石油も問題だけどタングステンどうすんのさ
中国の輸出規制なので高市のうちはなんとも…
30無念Nameとしあき26/04/10(金)18:10:06No.1399862505+
    1775812206412.jpg-(118333 B)
118333 B
>余り物どころかもともと足りなくて
>わざわざナフサだけを追加で輸入してたんですが…
ナフサ最大輸出国がロシアで2位以下は中東
そしてガイジがロシアに不必要な喧嘩を売ったのでロシアとの交渉も不可
31無念Nameとしあき26/04/10(金)18:12:08No.1399862966そうだねx1
>>石油も問題だけどタングステンどうすんのさ
>中国の輸出規制なので高市のうちはなんとも…
油も溶剤も無い、タングステンも銅も真鍮もバカ高い
製造業しんじゃう…
32無念Nameとしあき26/04/10(金)18:13:16No.1399863200そうだねx2
失敗したら赤沢のせい
成功すれば私の手柄
33無念Nameとしあき26/04/10(金)18:21:07No.1399864964+
あれ総理何も問題ないって言ってたよね?
34無念Nameとしあき26/04/10(金)18:21:29No.1399865049+
>原油はあってもナフサはあと2ヶ月しかない
原油もそんなない
1日消費量330万〜350万バレルのところをなぜか180万バレル換算で250日分もある!って吹いてるだけだから

- GazouBBS + futaba-